Nickel Plated Brass Air Connectors, Nickel Plated Brass Air Fittings, Brass Air Connectors, Pneumatic Connectors, Brass Pipe Joint Fittings - NPT, BSPT, BSPP thread
| Features |
Applications |
| 1. Vibration resistance - Fair resistance to vibration and pipe movement depending upon conditions, Advantages - Fewer leaks in the system, Large range of sizes and configurations |
1. Air, gas, hydraulic fluid like water, oil, fuels, lubricant, Grease and other applications which use with brass, copper, and iron pipe |
| 3. Conformance - Meets functional requirements of the SAE J530(Automotive Pipe Fittings), SAE J531(Drain Plugs), ASA, ASME. Thread Style - NPT(F), NPSM, BSPT, BSPP. |
2. Manufactured for low and medium pressure line connection work, Nickel-Plated brass body ensures anti-corrosion and anti-contamination. |
| Installation Instructions |
Specification |
| 1. Tighten approximately 2-1/2 turns past hand tight. |
1. Material: Nickel-Plated Brass |
| 2. Fittings with Everseal tighten two turns past hand tight. Brittle materials require special cautions |
2. Temperature Range: -65°F to +250°F (-53°C to +121°C) range at maximum operating pressures. |
 |
| 3. Working Pressure: 1200 PSI Maximum based on size always consult tubing/pipe specifications |
Air Hose Connectors - Material: Nickel-Plated Brass
MODEL: PLMF |
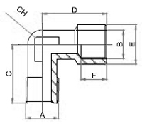
Male And Female Equal Elbow |
|
|
|
BSPT (R) Thread and BSPP (G) thread |
| MODEL |
Thread Size |
Thread Size |
Description |
| PLMF M5-M5 |
M5 |
M5 |
Brass Equal Male to Female Elbow |
| PLMF 01-G01 |
R1/8" |
G1/8" |
Brass Equal Male to Female Elbow |
| PLMF 02-G02 |
R1/4" |
G1/4" |
Brass Equal Male to Female Elbow |
| PLMF 03-G03 |
R3/8" |
G3/8" |
Brass Equal Male to Female Elbow |
| PLMF 04-G04 |
R1/2" |
G1/2" |
Brass Equal Male to Female Elbow |
| PLMF 06-G06 |
R3/4" |
G3/4" |
Brass Equal Male to Female Elbow |
| PLMF 08-G08 |
R1" |
G1" |
Brass Equal Male to Female Elbow |
NPT thread and BSPP (G) thread |
| MODEL |
Thread Size |
Thread Size |
Description |
| PLMF N01-G01 |
1/8"NPT |
G1/8" |
Brass Equal Male to Female Elbow |
| PLMF N02-G02 |
1/4"NPT |
G1/4" |
Brass Equal Male to Female Elbow |
| PLMF N03-G03 |
3/8"NPT |
G3/8" |
Brass Equal Male to Female Elbow |
| PLMF N04-G04 |
1/2"NPT |
G1/2" |
Brass Equal Male to Female Elbow |
| PLMF N06-G06 |
3/4"NPT |
G3/4" |
Brass Equal Male to Female Elbow |
| PLMF N08-G08 |
1"NPT |
G1" |
Brass Equal Male to Female Elbow |
|
|
One touch tube fitting, Push in fitting, Air fitting, pneumatic fitting, Tube fitting, All metal push in fitting, brass fitting, Steckverschraubungen,Pneumatik-Zubehör, Pneumatyka, Drosselrückschlagventile, alle Gewindefittinge mit geradem G-Gewinde, NPT-Gewinde, NEUMÁTICA RACORES, Pneumatique raccord, Raccorderia.Plastic Pneumatic Fitting, Pneumatic Accessories, Pneumatic Push in Fittings, One Touch Fittings, Nickel Plated Brass Push in Fittings, Air Flow Speed Controllers, Hand Valves, Sinter Silencers, Mufflers, PU Tubing, PA Tube,Quick Couplers, Pneumatic Push to Connect Fittings, Nylon Tube, Pneumatic Tubing, Pneumatic Fittings
Products Search
Pneumatic cylinder, air treatment units, FRL, solenoid valve, Air directional valve, pneumatic valve, air control valve, air filter, Air Filter Regulator, Air Lubricator, Air Regulator, Flow Control Valve, Quick Exhaust Valve, Foot Valve, Hand Valve, Standard Cylinder, Mini Cylinder, Compact Cylinder, Double Shaft Cylinder, pneumatic fittings, pneumatic push in fittings, all metal air fittings, DOT push to connect air brake fittings, one touch tubing fittings, all brass air fittings, pneumatic connectors, PU tubing, PA tubing, silencers, pressure gauges, air blow guns, air cylinder accessories, PU tube, pneumatic fitting, pneumatic component, Air cylinder.